2018 (7)
2019 (1)
2020 (1)
2025 (62)
因为划船玩水的时候遥控器需要留在车里或藏在车外某处。为了保险,特意加了这个Kill Switch。这样即使有人找到了遥控器,要想把车发动也要费一番功夫。
分享一下我的经验,希望对感兴趣的人有点用。我的车是2022年Toyota Tacoma。
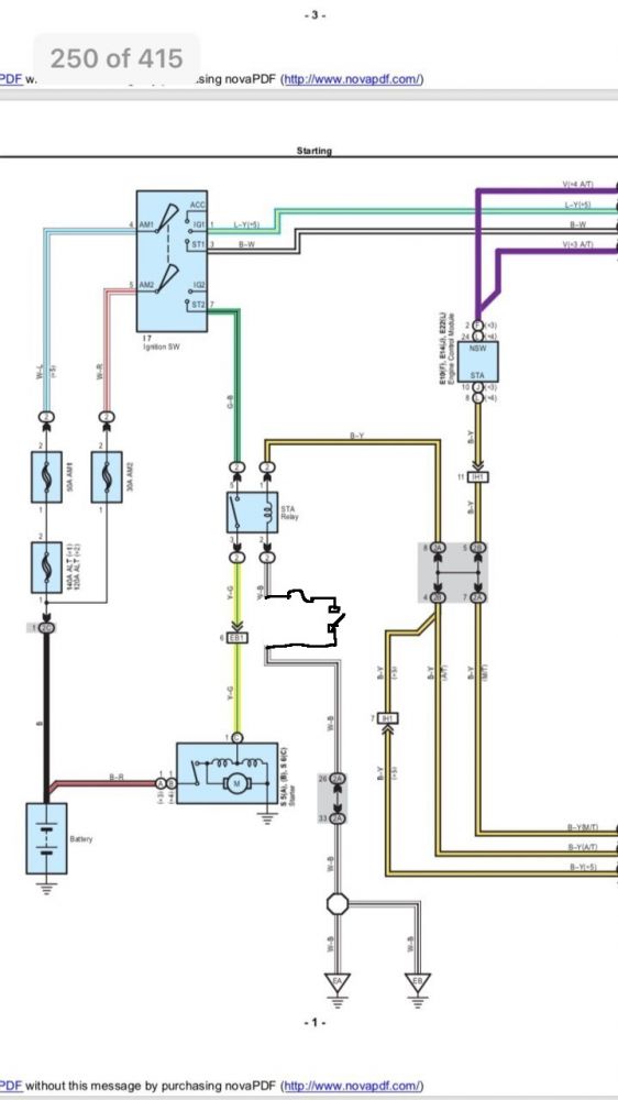
1. 电路图:

在启动继电器的2号引脚线上加装一个手动开关和保险。
2. 启动继电器2号引脚和连线:


3. 剪断下面这根线,加上接头,这样方便恢复原状:

4. 接上保险:

5. 将线从这里穿出,这样不用破坏保险盒体。用Zip Tie穿线很容易。

6. 最后将开关藏起来。这里需要一点创意,不能让盗贼一下就能找到。可以用双面胶粘在某个地方,也可以打孔固定。

7. 需要用到的工具和材料:
Heat Shrink Tube:

Inline fuse:

Heat Shrink Wire Connectors:

Wiring Tool:

Toggle Switch。Homedepot买的自带防水壳的。https://www.homedepot.ca/product/gardner-bender-toggle-spst-10a-120-125v-o-f-leads-1-cd/1000104169 :

Zip Tie(穿线神器):

装Kill Switch不难,只是需要一些耐心和细心。市场上的工具和材料很齐全,而且模块化,装这样一个开关跟小孩玩积木有点类似。
Kill Switch 好用,但也有被破解的可能。因此还要跟别的防盗措施结合起来用,比如加上方向盘锁。