原房主留下来的那个开发商建的家庭影院用料比较简陋,布局结构也不能令人满意。墙的颜色是那种乳白色的;有一个用drywall及2x4搭建的庞大的entertainment center (在下面总体布局图中上部放屏幕(绿色窄条)的位置);entertainment center右边墙下部挖了一个大洞,用来放音频/视频设备;右墙上方靠近天花板处还有一条soffit,占了很多地方;顶灯只有两个;后边座位处是一个高出两个台阶的平台,有一道多此一举的矮墙。好的地方是7.1的音频线已布好,另外放音频/视频设备的大洞后面墙上有6-zone whole house喇叭的接线板,这接线板上还有接进影院的电视线,互联网线及电话线的接口。
所以考虑再三,决定进行改建。先贴几张规划图 (图是用Excel画的,不太专业,大家凑合着看看)。
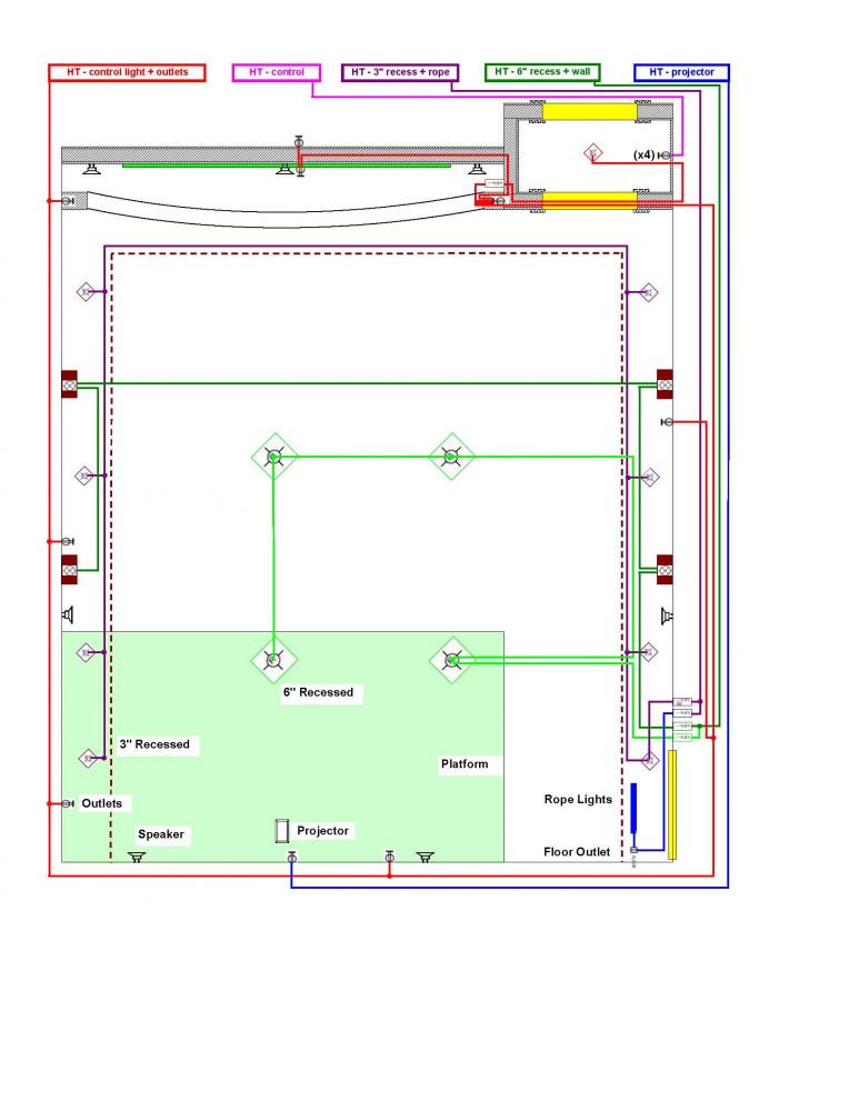
1. 总体布局及改建 
2. 电线接线图

整个影院接了五个电线回路。投影仪及壁橱中的音频/视频设备各有专用的回路。所有墙上的插座是一个回路(这个回路上还接有设备壁橱天花板上的顶灯,用于检修音频/视频设备需断电时照明用)。其它各种灯分享两个回路(这个余量比较大。其实一个回路就够了)。
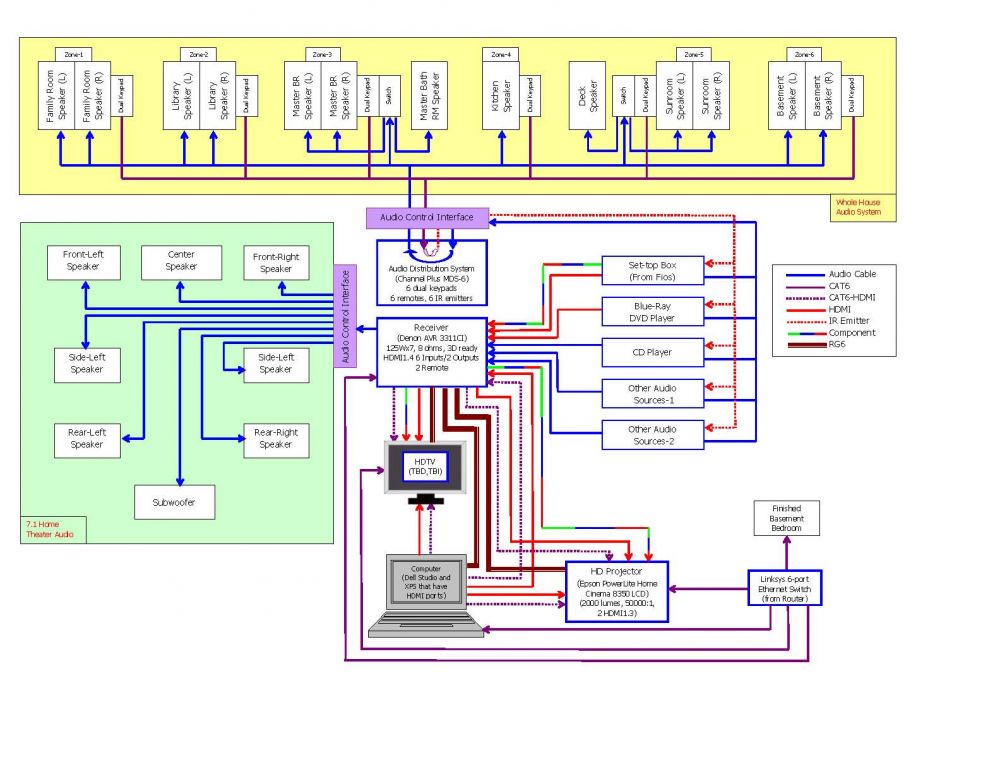
3. 音频/视频接线图
音频/视频设备的接线对我来说比较麻烦。溜了N次狗,晕过去N回,最后终于搞成这个样子。大概说明一下。主要设备(电视(暂时不用,现在只是将音频/视频线接好),电脑(将来准备在座位旁放一个手提电脑),机顶盒,音频/视频放大器及投影仪)之间接了HDMI线,Cat6双线(两根合起来在HDMI线出故障时用来代替HDMI线),Cat6, RG6线(备而不用)及component线(备而不用)。其中常用的是HDMI及Cat6线,其它都是备而不用或HDMI线及Cat6线出故障时临时代用。HDMI线都是1.4 version, 可用于将来的三维视频。所有埋在墙里的线都是CL-2 或 CL-3 规格的。
以下是几张施工过程中的照片。
4.
5.
具体干活过程我就不多写了,没啥技术含量,都是daily routine,装饰柱比较少见,略加说明。
6a.在近天花板及地板处钉2x4用于固定装饰柱 (只示意天花板处的2x4)。
6b.装边板。
6c.装面板。
6d.装crown molding。
以下是几张完成后的照片。
7.影院前面部分(总体布局图的上面)。可以看到屏幕,前置及中置喇叭。右边是放音频/视频设备的壁橱。
8.放音频/视频设备的壁橱。
9.影院左面部分。可以看到装饰柱子。柱子上装了壁灯及crown molding。
10. 影院后面部分。可以看到投影仪及后置喇叭。左手是进影院的门。
整